Electricity


Electricity


Electric Charges

How Charges Move

Conductors and Insulators

What Makes a Circuit

Voltage, Current, and Resistance

Ohm's Law

Power

Series Circuit




Electric Charges


Everything around us is made of positive and negative charges. In most objects we encounter, there are equal amounts of positive and negative charges. We call these objects, neutral.


You will never encounter an object that is made of only positive or only negative (unless you are struck by lightning). A positively charged object has both positive and negative charges. A negatively charged object has both positive and negative charges. The obect is negative because it has more negative than positive charges.

How Charges Move


Electic charges are found in the individual atoms that make up everything around us. Each atom has positive charges called protons and negative charges called electrons. Atoms also have neutrol particles called neutrons. Here is a very simplified picutre of and atom:

The important thing to know for understanding electricity is that negative charges move; positive charges don't. The positive protons are found in the center of the atom and do not leave their atom except in extreme conditions. You won't find a bunch of protons jumping from one thing to another. With the negative electrons, they are relatively far from the center of an atom. Depending on the material they are apart of, electons will move from atom to atom. In the right conditions, a large number of electrons will jump from one object to another. This is when we notice an electric shock.

Why do electons move? They move because there is a force called the electrostatic force. The electric force exists between any two charged particles. The direction of the force depends on the type of charges. Like charges repel; opposite charges attract. Like any other force, each charged obect will experience a force that is equal and opposite to the force experienced by the other charged object.

The electrostatic force is the reason that electric shocks occur. An electric shock happens when a group of negative charges move from one object to another. Watch what happens in the example below:


Click the button to see what happens next

Of course, in the real world, its not just one electron that is moving. Even in small electic shocks, trillions of electrons move from a negatively charged area to a positively charged area.


Conductors and Insulators


How stuff responds to the presence of charged objects depends mostly on what material it is made of. A material that allows electrons to leave their atoms and move without much resistance are called conductors. Materials which strongly resist the movement of electrons are called insulators. Some materials resist the flow of electrons more than conductors but not as much as insulators.

Electrostatic forces can also cause objects to stick together. Whether or not objects stick together depends on the material involved. If you blow up a baloon and rub it on something soft, dry and fluffy; the balloon grabs extra electrons. Now the balloon has a negative charge. The balloon will stick to some things but not others. Play with the example below to see several examples:


Click on one of the objects to see whether the balloon will stick to the wall and why.


What Makes a Circuit

Just having electric charges, does not make a circuit. A circuit is where the negative charges are constantly moving. Excess positive and negative charges store electric potential energy. That potential energy can be turned into other forms of energy if the electrons in some material are allowed to move away from an area of negative charges and toward an area of positive charge. For this to happen, you need 2 things. You need a voltage source. A voltage source has an area of excess positive charges and an area of excess negative charges. The second thing you some conductor material that connects the positive side of the voltage source to the negative area of the voltage source. When these two things are present, you have a circuit. Circuits are what allow us to use electrostaic forces for useful purposes.

Watch the video below

A common way to make a circuit is to use a battery (which is a voltage source) and a wire (which is a conductor). As you can see from the video, no electricity flow until the wire connects both the positive and negative sides of the battery.


Voltage, Current, and Resistance


There are several quantities that are important to keep track of when studying circuits. Voltage, current, and resistance are the most common measurements that describe how a circuit will behave. Voltage is a measure of how much electric potential energy each charge have. The amount of electric potential energy depends on how strong of electrostatic force is pushing on the electric charges. When the voltage is high, there is a stronger electrostatic force pushing on each electric charge. As a result, these electric charges have a higer potential energy. This electric potential energy can be turned into another type of energy if the circuit allows.

Current is a measure of how many electrons are moving through a part of a circuit each second. It is not a measure of how fast. It is a measure of how many. The eletrons are actually moving quite slowly, but a low of slow moving electrons can result in a large current. Consider the image below:

Imagine that you were somehow able to stand on a bridge over the wire and count every electron that went by. The number of electrons that passed under that bridge in one second would tell you the current. It would be a huge number. The unit for current is amps. 1 amp = 1 Coulumb of movings charge every second. 1 Coulumb is 625,000,000,000,000,000 electrons.

Resistance is a measure of how hard it is for the current to flow throw something. A large resistance means that it an object strongly resists the flow of electricity and not much current will flow throw it. A small resistance means that an object lets electrons move through with out much trouble. As a result, a lot of current can flow through it if there is enough voltage.

Ohm's Law


Voltage, current, and resistance are related. The equation that shows this relation is called Ohm's law. Ohm's law says that voltage is equal to current multiplied by resistance. Watch the video below to get an idea of what Ohm's law is.

To get a better idea of how Ohm's law works, here is an Ohm's law calculator to play with:








Voltage = Current x Resistance



Power


Power is a measure of how fast energy changes forms. The unit for power is 'Watts'. One Watt of power means that one Joule of energy is changing forms every second. For instance, there are 60 Watt lightbulbs. If you turn a 60 Watt lightbulb on, the electric system will loose 60 Joules of energy every second. At the same time 60 Joules of radiant energy (light and heat) are produced by the light bulb.

Power can be calculated if you know enough information about the circuit:

Using Ohm's law and some algebra, you can also calculate power a couple of other ways:

Play with the Power Calculator to get a better idea of how power is calculated:









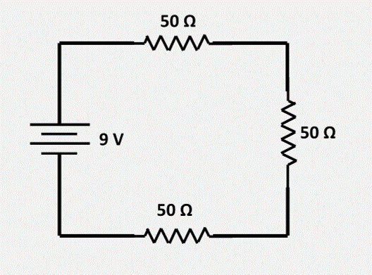
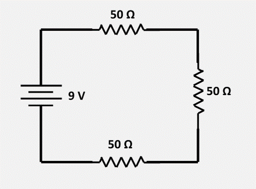
Series Circuit


A series circuit is a circuit in which there is only one path for the electric current to flow. In every series circuit there will be a source of voltage (for example: a battery), a conducting material (for example: copper wires), and one or more resistors. A resistor is any component that slows down the current. To keep things simple; we will use lightbulbs for the resistors, wires for conductors, and batteries for a voltage source.

All four of these pictures show series circuits. The 2nd and 4th pictures are circuit diagrams. Circuit diagrams are a way of quickly drawing an electric circuit.


Here are the rules for how voltage, current, and resistance work in a series circuit:

Resistance. The total resistance of a circuit is found by simply adding the resistance of each component together. The battery and wires typically have very little resistance. It is the other components, such as light bulbs that determine the total resistance of the circuit. Total resistance is an important measurement to know because total resistance determines how much current actually comes out of the battery. The smaller the total resistance the more current will flow in the circuit.

Voltage. The battery's voltage is shared among the resistors in the circuit. The more resistors the circuit has, the less voltage each resistors gets to use. In a series circuit with lightbulbs, more lightbulbs means less voltage per lightbulb. As a result, the lightbulbs get dimmer if you have more of them.


Look at the video below to see an illustration of how voltage works in a series circuit.

Explanation. The hills set up in this video are meant to resemble a series circuit. First, Sargent drop is lifted up to the top of the hill. The battery provides electric potential energy to the circuit much the same way a person would get gravitational potential energy from being lifted up to the top of a hill. Once on top of the hill, he will lose all of his gravitational potential after going down a series of jumps. In this setup, the height of the three drops added together equal the height of the lift. You can think of his gravitational potential energy as an electrical charge's electrical potential energy. You can think of his height as the voltage in a circuit. A series circuit works the same way as this picture. An electric charge will lose all of its electrical potential energy by going through a series of light bulbs. The voltage drop of the three light bulbs in the circuit add up to the voltage of the battery.

Current. The current in a series circuit is the same everywhere. The amount of current that comes out of the battery is the same as the amount of current that goes through each of the lightbulbs. A lightbulb does not get dimmer or brighter just because it is placed closer to the battery.

How much current flows through the circuit is determined by two things; how strong the voltage source is and how much resistance the circuit has. The more voltage, the higher the current. The more resistance, the lower the current. The exact amout of current is found by voltage of the voltage source / total resistance of the circuit

Current = Voltage / Resistance


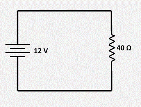
Click on the images below to see how to solve for unknown values in a series circuit

In this example, we are given the voltage of the battery and the resistance of all three of the lightbulbs

The battery voltage goes in the box for total voltage. The three lightbulb resistances go in the resistance column.


Parralel Circuits

A parralel circuit is a circuit where the resistors are not on the same loop, but instead each resistor is on its own loop with the voltage source. Here are some examples of parralel circuits

Here are the rules for how resistance, voltage, and current work in an parallel circuit.

Resistance. Total resistance in a parallel circuit is found very differently than in a series circuit. Total resistance is a measure of how much resistance is experienced as current flows out one terminal of a battery and into the other terminal. It is an important measurement because total resistance will determine how much current actually comes out of the battery. In a series circuit, more resistors means more total resistance. In a parallel circuit, more resistors actually means less total resistance. This is because every additional resistor opens up one more path for electricity to flow. In a parallel circuit the total resistance will always be less than the circuit's smallest resistor. Every time a new resistor is added to a parallel circuit, the total resistance goes down.

There is an equation that can allow us to find the total resistance in a parallel circuit. Here is the equation:

This equation finds the total resistance if there are two resistors. Click either image to see what happens if there are 3 resistors.


Click on an example to see how to find the total resistance that parallel circuit:

Voltage. In a parallel circuit, voltage is the same across each of the branches. If you measure the voltage across any one of the light bulbs, it is the same voltage as the battery. This happens because each resister in a parallel circuit is on a loop with only itself and the battery. Look at the video below to see an illustration of how voltage works in a parallel circuit.

Explanation. The hills set up in this video are meant to resemble a parallel circuit. First, Sargent drop is lifted up to the top of the hill. The battery provides electric potential energy to the circuit much the same way a person would get gravitational potential energy from being lifted up to the top of a hill. Once on top of the hill, he will lose all of his gravitational potential energy when he goes off a drop. In this setup, no matter which drop he chooses, the drop is the same. He will loose all of his height. You can think of his gravitational potential energy as an electrical charge's electrical potential energy. You can think of his height as the voltage in a circuit. A parallel circuit works the same way. An electric charge will lose all of its electrical potential energy by going through a light bulb. All light bulbs in the circuit lead to zero potential energy. That is why each light bulb has the same voltage, and that voltage is equal to the voltage of the battery.

Current. Only two things determine how much current flows through a resistor in a parallel circuit. Those two things are the voltage of the battery and the resistance of the resistor. Click on the examples below.

Click on the circuit above to see how the current through each light bulb is calculated.

Total current refers to how much current is present near the battery. In a parallel circuit, the total current is the sum of the individual currents. If you add up the current flowing through each of the lightbulbs, you get how much current comes out of the battery.

Look at the illustration below

Click on the circuit above to see how the current through each light bulb is calculated.


Click on the images below to see how to solve for unknown values in a parallel circuit